Dry Deposition™ vs. wet dispersion
Carbon nanotubes (CNTs) have emerged as a key ingredient for highly engineered solutions. Yet, conventional methods for carbon nanotube production often involve harsh techniques like wet dispersion and ultrasonication, which can compromise their exceptional properties such as high transmittance, uniformity, and mechanical strength. Ultrasonication and surfactants used in conventional wet dispersion cut and damage CNTs, resulting in significantly reduced tensile strength, lower electrical conductivity, bundling, and decreased electrochemical sensitivity.
Canatu’s patented Dry Deposition™ technology surpasses conventional wet methods, setting a new standard for CNT production. This approach eliminates the need for harsh steps involved in traditional wet dispersion, preserving the exceptional properties of CNTs.
Canatu’s Dry Deposition™ method produces incredibly long and pristine CNTs, offering significant advantages over traditional wet dispersion. While wet dispersion requires multiple complex steps, Dry Deposition™ offers a simpler, faster, and more cost-effective process, yielding high-purity, strong CNTs.
Dry Deposition™ outperforms wet dispersion by simplifying the process, yielding longer and cleaner CNTs, and creating highly uniform CNT networks.
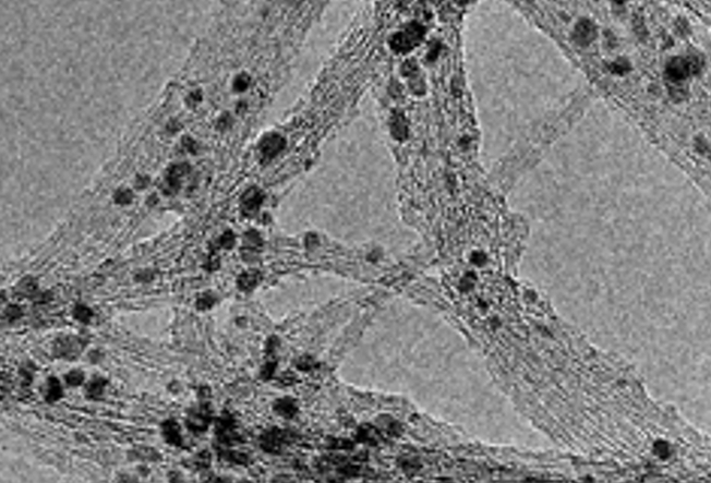
Dry Deposition™ of carbon nanotubes ensures that your products perform precisely as intended. Our method yields longer, cleaner, and nearly defect-free CNTs with superior uniformity, transmittance, conductivity, electrochemical sensitivity, and tensile strength. This is because the electrical conductivity and tensile strength of the tubes increase with their length and purity, thereby enhancing performance across various applications.
For example, semiconductor fabricators can leverage Canatu’s Dry Deposition™ method to produce CNT membranes with exceptional uniformity and high EUV light transmittance, benefiting various applications including EUV pellicles, debris filters, and optical filters. This can lead to a 15% increase in performance (measured in wafers per hour) for EUV pellicle application and substantial cost savings by reducing the need for expensive lithography tools.
Wet dispersion
The traditional wet dispersion method begins with CNT powders and includes multiple complex and expensive processing steps, like ultrasonication, which can harm CNTs, leading to shorter and less pristine carbon nanotubes and causing them to bundle together. This degradation significantly affects mechanical, thermal, electrical, and chemical properties of CNTs. Furthermore, defects in the CNTs lower their electrochemical sensitivity.
Dry Deposition™
Canatu completely bypasses the ultrasonication and liquid dispersion steps. In our cutting-edge Dry Deposition™ method, carbon nanotubes are deposited on a collection filter at room temperature.
This yields longer, cleaner, and virtually defect-free CNTs with superior uniformity, transmittance, electrical conductivity, and tensile strength, thereby enhancing performance across various applications.
Over 10x stronger than steel
Dry Deposition™ results in superior tensile strength preserving the pristine, long structure of the CNTs, enhancing load transfer and minimizing defects in the membrane. This yields mechanical properties approaching the intrinsic strength of individual CNTs of over 10 times stronger than steel. Wet dispersion causes aggregation, contamination, and shorter lengths, compromising membrane strength and performance. The high modulus of elasticity ensures superior structural stability, vibration resistance, and long-term durability, ideal for demanding semiconductor filtration applications. Source: Advanced Materials
3x higher conductivity
Electrical conductivity and high transparency are key properties for optoelectronic devices. Comparing equivalent sheet resistance values of transparent conductive films fabricated via dry and wet methods reveals that Dry Deposition™ results in conductivity over three times higher. The extraordinary low sheet resistances underscore the tremendous potential for transparent conductive film applications using dry deposited single-walled CNTs (SWCNTs). Source: Advanced Science
Over 10x higher sensitivity
Our patented Dry Deposition™ results in over 10x higher electrochemical sensitivity compared to our competition. This superior sensitivity has been proven in in vitro matrices. The technology allows us to produce CNTs with uniquely extensive and pristine reaction surfaces. This enormous three-dimensional surface area offers many binding sites for the biorecognition elements to interact with the target analyte enabling stronger signals, even in complex matrices.
Novel Dry Deposition revolutionizes CNTs
Canatu’s patented Dry Deposition™ method unlocks the full potential of carbon nanotubes (CNTs) with significant implications for the semiconductor industry. This method simplifies CNT manufacturing by reducing steps and cycle time, producing longer, pristine CNTs with superior EUV transmission, tensile strength, and highly uniform CNT networks compared to the traditional wet dispersion process. Read more from Canatu CEO Juha Kokkonen’s recent article for EE Times.
Wet dispersion cuts and damages CNTs
Traditional CVD synthesis and the liquid dispersion of CNTs is a complex process with several steps. It starts with CNT powder, which often comes bundled with impurities and has low crystallinity. Ultrasonication cuts the CNTs into pieces. As a result the aspect ratio of CNTs decreases, degrading their properties.

CVD synthesis
First, a catalyst-coated ceramic plate is placed inside the reactor, and carbon-containing gas is introduced. Carbon atoms from the feedstock react with the catalyst, leading to the growth of carbon nanotubes. The CNTs grow vertically from the catalyst particles, forming a forest-like structure.
CNT powder collection
After synthesis, CNTs are collected from the ceramic plate. CNT powder usually comes bundled with impurities and has low crystallinity.
Wet dispersion and ultrasonication
The collected CNT powder is dispersed into the liquid and blended with water using ultrasonication. While this step effectively mixes CNTs with the water, it also results in cutting the CNTs. As a result, the aspect ratio of CNTs decrease, degrading their properties.
Adding surfactants
Surfactants are added to improve the dispersity of CNTs. CNT bundles improve mechanical strength but degrade optical performance causing scattering.
Purification
Next, using thermal or chemical treatment, CNT undergoes purification to remove metallic catalyst residues. Residual metals are particularly undesirable in the EUV applications as they can absorb and scatter the EUV light.
Centrifugation
CNTs are centrifugated and sorted based on their structural properties, such as wall count, bundle size, or electrical conductivity.
Filtration
The sorted CNTs are poured into the water, and the CNTs are filtered onto the filter paper.
Water transfer printing
The CNT network is detached from the filter on the liquid’s surface, making CNT film floating on the surface of the liquid. Then, a frame is pulled through the liquid, attaching the CNT film to create a free-standing membrane.
Washing
Residual surfactants are washed away.
Coating
Coatings can be applied to the CNT membrane to improve its stability in the EUV environment.
Dry Deposition™ simplifies the process
Canatu’s patented Dry Deposition™ method outperforms wet dispersion by simplifying the process and yielding cleaner, longer carbon nanotubes and highly uniform CNT networks, thereby enhancing the performance of end applications. Canatu’s approach eliminates multiple complex process steps that can compromise the quality of CNTs.

FC-CVD synthesis
Canatu synthesizes CNTs using the floating catalyst chemical vapor deposition (FC-CVD) process. Compared to other methods, FC-CVD stands out as a low-cost, highly controllable, and scalable process for creating cutting-edge CNTs for industry-transforming products.
During FC-CVD, CNT growth is initiated by introducing carbon gases into the reactor. The furnace is then heated to vaporize and decompose the carbon gases, leading to catalyst particles forming at the top of the reactor. These particles float down the reactor with a carrier gas toward the collection filter. As they drift down the reactor, CNTs start to grow on the catalyst particles.
Dry Deposition™
The CNTs are dry deposited onto the collection filter under atmospheric conditions.
Transfer
Subsequently, CNTs are transferred from the collection filter onto either a plastic substrate, creating a conductive film, or a frame, creating a membrane.
Post-processing
The membrane goes through post-treatment to further improve its properties.
Contact our specialist in Dry Deposition™ process
Send us a message
Related content
Canatu’s unique process is the secret to creating the most advanced carbon nanotubes for highly-engineered products. How we make Canatu CNT yields properties that make it applicable for a variety of industry-redefining products now and in the future. See our process.
Based on our expertise, we have developed manufacturing and product platforms that give us a scalable foundation for developing diverse solutions and applications. Find the fundamentals.
Carbon nanotubes have unique mechanical, electrical, thermal, optical, and chemical properties. CNTs have very high tensile strength, high thermal and electrical conductivity, they are highly flexible and very elastic. Discover CNT properties
Through Canatu’s unique manufacturing process, we can control the number of walls each carbon nanotube has. This allows Canatu to produce single, double, and multiple walled carbon nanotubes suitable for a variety of applications. Discover differences.